12種法蘭類型,13大法蘭基礎知識解讀,系統學習法蘭知識,這一篇就足夠啦!
本文構架圖


法蘭基本介紹
管法蘭及其墊片、緊固件統稱為法蘭接頭。
應用:
法蘭接頭是工程設計中使用極為普遍、涉及面非常廣泛的一種零部件。它是配管設計、管件閥門必不可少的零件,而且也是設備、設備零部件(如人孔、視鏡液面計等)中必備的構件。此外,其它專業如工業爐、熱工、給排水、采暖通風、自控等,也經常使用法蘭接頭。
材質:
鍛鋼、WCB碳鋼、不銹鋼、316L、316、304L、304、321、鉻鉬鋼、鉻鉬釩鋼、鉬二鈦、襯膠、襯氟材質。
分類:
平焊法蘭、帶頸法蘭、對焊法蘭、環連接法蘭、承插法蘭、及盲板等。
執行標準:
有GB系列(國家標準)、JB系列(機械部)、HG系列(化工部)、ASME B16.5(美標)、BS4504(英標)、DIN(德標)、JIS(日標)。
國際管法蘭標準體系:
國際上管法蘭標準主要有兩個體系,即以德國DIN(包括原蘇聯)為代表的歐洲管法蘭體系和以美國ANSI管法蘭為代表的美洲管法蘭體系。
除此之外,還有日本JIS管法蘭,但在石油化工裝置中一般僅用于公用工程,而且在國際上影響較小。
12種法蘭類型及密封面形式
1.板式平焊法蘭

板式平焊法蘭(化工標準HG20592、國家標準GB/T9119、機械JB/T81)。
優點:
取材方便,制造簡單,成本低,使用廣泛
缺點:
剛性較差,因此不得用于有供需、易燃、易爆和較高真空度要求的化工工藝配管系統和高度、極度危害的場合。
密封面型式有平面和突面。
2.帶頸平焊法蘭
帶頸平焊法蘭屬于國標法蘭標準體系。是國標法蘭(又稱GB法蘭)的其中一種表現形式,是設備或管道上常用的法蘭之一。

優點:
現場安裝較方便,可省略焊縫拍揉傷的工序
缺點:
帶頸平焊法蘭頸部高度較低,對法蘭的剛度、承載能力有所提高。與對焊法蘭相比,焊接工作量大,焊條耗量高,經不起高溫高壓及反復彎曲和溫度波動。
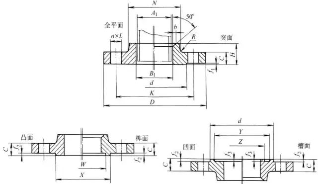
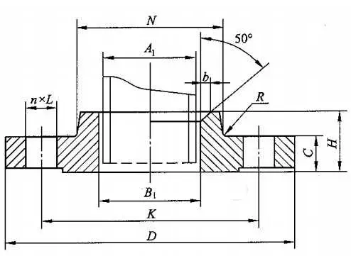
3.帶頸對焊法蘭

帶頸對焊法蘭的密封面形式有:
突面(RF)、凹面(FM),凸面(M)、榫面(T),槽面(G),全平面(FF)。
優點:
連接不易變形,密封效果好,應用廣泛,適用于溫度或壓力大幅度波動的管道或高溫、高壓及低溫的管道,也用于輸送價格昂貴介質、易燃易爆介質、有毒氣體的管道上
缺點:
帶頸對焊法蘭的體積龐大,重量笨重,價格昂貴,安裝定位很困難。因此在運輸途中更容易磕碰。
隱石服務項目: HIC抗氫致開裂試驗 SSC硫化氫應力腐蝕試驗 應力導向氫致開裂SOHIC試驗 API 622防逸散過程閥門填料型式試驗 均勻腐蝕試驗 高溫高壓腐蝕試驗 金屬腐蝕速率檢測 鋁合金晶間腐蝕檢測 中性鹽霧試驗
標簽:
Copyright ? 2017-2024 江蘇隱石實驗科技有限公司 All Rights Reserved 備案號:蘇ICP備2021030923號-2
蘇公網安備32020502001473 技術支持:迅誠科技